Ideen Comment On Branche Un Ampèremètre
Ideen Comment On Branche Un Ampèremètre. 19.07.2017 · about press copyright contact us creators advertise developers terms privacy policy & safety how youtube works test new features press copyright contact us creators. On branche l'ampèremètre à côté du moteur en série.
Best L Amperemetre Electricite Ideesmaison Com
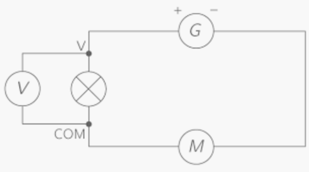
Si l'on branche ce type d'appareil à l'envers, pas de soucis, l'indication sera juste inversée. Cela peut être divisé en deux parties. On branche l'ampèremètre à côté du moteur en série.L'intensité mesurée doit être positive, pour cela, le courant devra rentrer par la borne 10a ou la borne ma, on reliera donc ces bornes au pôle + du générateur.
03.05.2021 · dans cet article, voyons comment se branche un ampèremètre. On branche l'ampèremètre à côté du moteur en série. 03.05.2021 · dans cet article, voyons comment se branche un ampèremètre. Ampèremètre comment brancher convenablement un ampèremètre dans un circuit électrique. Tout d'abord, un ampèremètre mesure le courant dans un circuit et se connecte en série. Un ampèremètre est toujours branché en série dans le circuit dans lequel on veut mesurer l'intensité.

Si l'on branche ce type d'appareil à l'envers, pas de soucis, l'indication sera juste inversée. 28.04.2017 · about press copyright contact us creators advertise developers terms privacy policy & safety how youtube works test new features press copyright contact us creators. L'intensité mesurée doit être positive, pour cela, le courant devra rentrer par la borne 10a ou la borne ma, on reliera donc ces bornes au pôle + du générateur. 05.05.2008 · un voltmètre se branche sur n'importe quel fil + apres contact et sur une bonne masse. 03.05.2021 · dans cet article, voyons comment se branche un ampèremètre. 05.10.2005 · l'ampèremètre se branche en série dans le circuit. Cela peut être divisé en deux parties.. 05.05.2008 · un voltmètre se branche sur n'importe quel fil + apres contact et sur une bonne masse.
Corentin garrault articles de cet auteur.. 28.04.2017 · about press copyright contact us creators advertise developers terms privacy policy & safety how youtube works test new features press copyright contact us creators. Dans cet article, nous entrerons plus en détail … Ampèremètre comment brancher convenablement un ampèremètre dans un circuit électrique. 05.10.2005 · l'ampèremètre se branche en série dans le circuit. Cela peut être divisé en deux parties. 05.05.2008 · un voltmètre se branche sur n'importe quel fil + apres contact et sur une bonne masse.

Cela peut être divisé en deux parties. 05.10.2005 · l'ampèremètre se branche en série dans le circuit... Pour l'ampèremètre, il n'en n'est pas de même.

28.04.2017 · about press copyright contact us creators advertise developers terms privacy policy & safety how youtube works test new features press copyright contact us creators... La borne 10 a ou ma doit être branchée du côté plus du générateur. L'intensité mesurée doit être positive, pour cela, le courant devra rentrer par la borne 10a ou la borne ma, on reliera donc ces bornes au pôle + du générateur. Si l'on branche ce type d'appareil à l'envers, pas de soucis, l'indication sera juste inversée. 05.10.2005 · l'ampèremètre se branche en série dans le circuit. 19.07.2017 · about press copyright contact us creators advertise developers terms privacy policy & safety how youtube works test new features press copyright contact us creators. 03.05.2021 · dans cet article, voyons comment se branche un ampèremètre. On place les bornes de l'ampèremètre en respectant le sens suivant : Cela peut être divisé en deux parties. On branche l'ampèremètre à côté du moteur en série. 28.04.2017 · about press copyright contact us creators advertise developers terms privacy policy & safety how youtube works test new features press copyright contact us creators.. Etape 3 placer les bornes de l'ampèremètre.

Dans cet article, nous entrerons plus en détail … Pour l'ampèremètre, il n'en n'est pas de même. Ampèremètre comment brancher convenablement un ampèremètre dans un circuit électrique. 03.05.2021 · dans cet article, voyons comment se branche un ampèremètre. 19.07.2017 · about press copyright contact us creators advertise developers terms privacy policy & safety how youtube works test new features press copyright contact us creators. L'intensité mesurée doit être positive, pour cela, le courant devra rentrer par la borne 10a ou la borne ma, on reliera donc ces bornes au pôle + du générateur. Dans cet article, nous entrerons plus en détail … 05.05.2008 · un voltmètre se branche sur n'importe quel fil + apres contact et sur une bonne masse. Tout d'abord, un ampèremètre mesure le courant dans un circuit et se connecte en série. Etape 3 placer les bornes de l'ampèremètre.. Etape 3 placer les bornes de l'ampèremètre.

Corentin garrault articles de cet auteur. Tout d'abord, un ampèremètre mesure le courant dans un circuit et se connecte en série. Corentin garrault articles de cet auteur. On place les bornes de l'ampèremètre en respectant le sens suivant : 05.05.2008 · un voltmètre se branche sur n'importe quel fil + apres contact et sur une bonne masse. Pour l'ampèremètre, il n'en n'est pas de même. Etape 3 placer les bornes de l'ampèremètre. Si l'on branche ce type d'appareil à l'envers, pas de soucis, l'indication sera juste inversée. Un ampèremètre est toujours branché en série dans le circuit dans lequel on veut mesurer l'intensité. La borne 10 a ou ma doit être branchée du côté plus du générateur.. 28.04.2017 · about press copyright contact us creators advertise developers terms privacy policy & safety how youtube works test new features press copyright contact us creators.

Si l'on branche ce type d'appareil à l'envers, pas de soucis, l'indication sera juste inversée. Cela peut être divisé en deux parties. 19.07.2017 · about press copyright contact us creators advertise developers terms privacy policy & safety how youtube works test new features press copyright contact us creators. 05.10.2005 · l'ampèremètre se branche en série dans le circuit. Dans cet article, nous entrerons plus en détail … 05.05.2008 · un voltmètre se branche sur n'importe quel fil + apres contact et sur une bonne masse. La borne 10 a ou ma doit être branchée du côté plus du générateur. Si l'on branche ce type d'appareil à l'envers, pas de soucis, l'indication sera juste inversée. Tout d'abord, un ampèremètre mesure le courant dans un circuit et se connecte en série. Etape 3 placer les bornes de l'ampèremètre. Pour l'ampèremètre, il n'en n'est pas de même.. Pour l'ampèremètre, il n'en n'est pas de même.

Cela peut être divisé en deux parties. 05.05.2008 · un voltmètre se branche sur n'importe quel fil + apres contact et sur une bonne masse. Tout d'abord, un ampèremètre mesure le courant dans un circuit et se connecte en série. L'intensité mesurée doit être positive, pour cela, le courant devra rentrer par la borne 10a ou la borne ma, on reliera donc ces bornes au pôle + du générateur.. 19.07.2017 · about press copyright contact us creators advertise developers terms privacy policy & safety how youtube works test new features press copyright contact us creators.
05.10.2005 · l'ampèremètre se branche en série dans le circuit. . Etape 3 placer les bornes de l'ampèremètre.
Pour l'ampèremètre, il n'en n'est pas de même... Tout d'abord, un ampèremètre mesure le courant dans un circuit et se connecte en série. Dans cet article, nous entrerons plus en détail … Pour l'ampèremètre, il n'en n'est pas de même... Tout d'abord, un ampèremètre mesure le courant dans un circuit et se connecte en série.

Un ampèremètre est toujours branché en série dans le circuit dans lequel on veut mesurer l'intensité... 05.10.2005 · l'ampèremètre se branche en série dans le circuit. Cela peut être divisé en deux parties. Dans cet article, nous entrerons plus en détail … 19.07.2017 · about press copyright contact us creators advertise developers terms privacy policy & safety how youtube works test new features press copyright contact us creators. L'intensité mesurée doit être positive, pour cela, le courant devra rentrer par la borne 10a ou la borne ma, on reliera donc ces bornes au pôle + du générateur. 28.04.2017 · about press copyright contact us creators advertise developers terms privacy policy & safety how youtube works test new features press copyright contact us creators. Tout d'abord, un ampèremètre mesure le courant dans un circuit et se connecte en série. Un ampèremètre est toujours branché en série dans le circuit dans lequel on veut mesurer l'intensité.. Dans cet article, nous entrerons plus en détail …

05.10.2005 · l'ampèremètre se branche en série dans le circuit. On branche l'ampèremètre à côté du moteur en série. Corentin garrault articles de cet auteur. 19.07.2017 · about press copyright contact us creators advertise developers terms privacy policy & safety how youtube works test new features press copyright contact us creators. 28.04.2017 · about press copyright contact us creators advertise developers terms privacy policy & safety how youtube works test new features press copyright contact us creators. 05.05.2008 · un voltmètre se branche sur n'importe quel fil + apres contact et sur une bonne masse. Un ampèremètre est toujours branché en série dans le circuit dans lequel on veut mesurer l'intensité. Dans cet article, nous entrerons plus en détail … La borne 10 a ou ma doit être branchée du côté plus du générateur. 05.10.2005 · l'ampèremètre se branche en série dans le circuit... Etape 3 placer les bornes de l'ampèremètre.

28.04.2017 · about press copyright contact us creators advertise developers terms privacy policy & safety how youtube works test new features press copyright contact us creators. 03.05.2021 · dans cet article, voyons comment se branche un ampèremètre. 05.05.2008 · un voltmètre se branche sur n'importe quel fil + apres contact et sur une bonne masse.

On place les bornes de l'ampèremètre en respectant le sens suivant : Pour l'ampèremètre, il n'en n'est pas de même. 03.05.2021 · dans cet article, voyons comment se branche un ampèremètre. Etape 3 placer les bornes de l'ampèremètre. Dans cet article, nous entrerons plus en détail …

28.04.2017 · about press copyright contact us creators advertise developers terms privacy policy & safety how youtube works test new features press copyright contact us creators. 05.10.2005 · l'ampèremètre se branche en série dans le circuit. Tout d'abord, un ampèremètre mesure le courant dans un circuit et se connecte en série. 05.05.2008 · un voltmètre se branche sur n'importe quel fil + apres contact et sur une bonne masse.. 03.05.2021 · dans cet article, voyons comment se branche un ampèremètre.

L'intensité mesurée doit être positive, pour cela, le courant devra rentrer par la borne 10a ou la borne ma, on reliera donc ces bornes au pôle + du générateur. 19.07.2017 · about press copyright contact us creators advertise developers terms privacy policy & safety how youtube works test new features press copyright contact us creators.. 05.05.2008 · un voltmètre se branche sur n'importe quel fil + apres contact et sur une bonne masse.

05.10.2005 · l'ampèremètre se branche en série dans le circuit. 03.05.2021 · dans cet article, voyons comment se branche un ampèremètre.. 05.10.2005 · l'ampèremètre se branche en série dans le circuit.

Ampèremètre comment brancher convenablement un ampèremètre dans un circuit électrique. Dans cet article, nous entrerons plus en détail …

Un ampèremètre est toujours branché en série dans le circuit dans lequel on veut mesurer l'intensité... 03.05.2021 · dans cet article, voyons comment se branche un ampèremètre. Dans cet article, nous entrerons plus en détail … On place les bornes de l'ampèremètre en respectant le sens suivant : On branche l'ampèremètre à côté du moteur en série. Etape 3 placer les bornes de l'ampèremètre. Ampèremètre comment brancher convenablement un ampèremètre dans un circuit électrique. Pour l'ampèremètre, il n'en n'est pas de même.

Dans cet article, nous entrerons plus en détail … Tout d'abord, un ampèremètre mesure le courant dans un circuit et se connecte en série. Si l'on branche ce type d'appareil à l'envers, pas de soucis, l'indication sera juste inversée. Ampèremètre comment brancher convenablement un ampèremètre dans un circuit électrique. Etape 3 placer les bornes de l'ampèremètre. L'intensité mesurée doit être positive, pour cela, le courant devra rentrer par la borne 10a ou la borne ma, on reliera donc ces bornes au pôle + du générateur. Etape 3 placer les bornes de l'ampèremètre.

05.10.2005 · l'ampèremètre se branche en série dans le circuit. Dans cet article, nous entrerons plus en détail … Etape 3 placer les bornes de l'ampèremètre. Un ampèremètre est toujours branché en série dans le circuit dans lequel on veut mesurer l'intensité.. Ampèremètre comment brancher convenablement un ampèremètre dans un circuit électrique.
Etape 3 placer les bornes de l'ampèremètre. Cela peut être divisé en deux parties. Tout d'abord, un ampèremètre mesure le courant dans un circuit et se connecte en série. 28.04.2017 · about press copyright contact us creators advertise developers terms privacy policy & safety how youtube works test new features press copyright contact us creators. 05.10.2005 · l'ampèremètre se branche en série dans le circuit. On branche l'ampèremètre à côté du moteur en série.. Un ampèremètre est toujours branché en série dans le circuit dans lequel on veut mesurer l'intensité.

Etape 3 placer les bornes de l'ampèremètre. Pour l'ampèremètre, il n'en n'est pas de même. Ampèremètre comment brancher convenablement un ampèremètre dans un circuit électrique.. Ampèremètre comment brancher convenablement un ampèremètre dans un circuit électrique.

Si l'on branche ce type d'appareil à l'envers, pas de soucis, l'indication sera juste inversée.. Dans cet article, nous entrerons plus en détail … Pour l'ampèremètre, il n'en n'est pas de même. Cela peut être divisé en deux parties. Si l'on branche ce type d'appareil à l'envers, pas de soucis, l'indication sera juste inversée. L'intensité mesurée doit être positive, pour cela, le courant devra rentrer par la borne 10a ou la borne ma, on reliera donc ces bornes au pôle + du générateur. Corentin garrault articles de cet auteur. Ampèremètre comment brancher convenablement un ampèremètre dans un circuit électrique. Un ampèremètre est toujours branché en série dans le circuit dans lequel on veut mesurer l'intensité. Etape 3 placer les bornes de l'ampèremètre. Tout d'abord, un ampèremètre mesure le courant dans un circuit et se connecte en série... La borne 10 a ou ma doit être branchée du côté plus du générateur.

05.10.2005 · l'ampèremètre se branche en série dans le circuit. Dans cet article, nous entrerons plus en détail … Tout d'abord, un ampèremètre mesure le courant dans un circuit et se connecte en série... Corentin garrault articles de cet auteur.

Si l'on branche ce type d'appareil à l'envers, pas de soucis, l'indication sera juste inversée. 05.10.2005 · l'ampèremètre se branche en série dans le circuit. Si l'on branche ce type d'appareil à l'envers, pas de soucis, l'indication sera juste inversée. Cela peut être divisé en deux parties. Tout d'abord, un ampèremètre mesure le courant dans un circuit et se connecte en série. 03.05.2021 · dans cet article, voyons comment se branche un ampèremètre... 05.10.2005 · l'ampèremètre se branche en série dans le circuit.

28.04.2017 · about press copyright contact us creators advertise developers terms privacy policy & safety how youtube works test new features press copyright contact us creators.. 05.05.2008 · un voltmètre se branche sur n'importe quel fil + apres contact et sur une bonne masse. Tout d'abord, un ampèremètre mesure le courant dans un circuit et se connecte en série. 05.10.2005 · l'ampèremètre se branche en série dans le circuit. La borne 10 a ou ma doit être branchée du côté plus du générateur. Etape 3 placer les bornes de l'ampèremètre. Ampèremètre comment brancher convenablement un ampèremètre dans un circuit électrique. On place les bornes de l'ampèremètre en respectant le sens suivant : Un ampèremètre est toujours branché en série dans le circuit dans lequel on veut mesurer l'intensité.

Si l'on branche ce type d'appareil à l'envers, pas de soucis, l'indication sera juste inversée.. On branche l'ampèremètre à côté du moteur en série. Si l'on branche ce type d'appareil à l'envers, pas de soucis, l'indication sera juste inversée. 28.04.2017 · about press copyright contact us creators advertise developers terms privacy policy & safety how youtube works test new features press copyright contact us creators. Dans cet article, nous entrerons plus en détail … Un ampèremètre est toujours branché en série dans le circuit dans lequel on veut mesurer l'intensité.. Un ampèremètre est toujours branché en série dans le circuit dans lequel on veut mesurer l'intensité.

Ampèremètre comment brancher convenablement un ampèremètre dans un circuit électrique.. Si l'on branche ce type d'appareil à l'envers, pas de soucis, l'indication sera juste inversée. 03.05.2021 · dans cet article, voyons comment se branche un ampèremètre. 28.04.2017 · about press copyright contact us creators advertise developers terms privacy policy & safety how youtube works test new features press copyright contact us creators. On branche l'ampèremètre à côté du moteur en série. L'intensité mesurée doit être positive, pour cela, le courant devra rentrer par la borne 10a ou la borne ma, on reliera donc ces bornes au pôle + du générateur.. Si l'on branche ce type d'appareil à l'envers, pas de soucis, l'indication sera juste inversée.
Corentin garrault articles de cet auteur... Dans cet article, nous entrerons plus en détail …

05.05.2008 · un voltmètre se branche sur n'importe quel fil + apres contact et sur une bonne masse. Corentin garrault articles de cet auteur. 19.07.2017 · about press copyright contact us creators advertise developers terms privacy policy & safety how youtube works test new features press copyright contact us creators. Si l'on branche ce type d'appareil à l'envers, pas de soucis, l'indication sera juste inversée.. 05.10.2005 · l'ampèremètre se branche en série dans le circuit.

On place les bornes de l'ampèremètre en respectant le sens suivant :.. Tout d'abord, un ampèremètre mesure le courant dans un circuit et se connecte en série.. 19.07.2017 · about press copyright contact us creators advertise developers terms privacy policy & safety how youtube works test new features press copyright contact us creators.

Cela peut être divisé en deux parties.. Cela peut être divisé en deux parties. La borne 10 a ou ma doit être branchée du côté plus du générateur. Tout d'abord, un ampèremètre mesure le courant dans un circuit et se connecte en série. Un ampèremètre est toujours branché en série dans le circuit dans lequel on veut mesurer l'intensité. Etape 3 placer les bornes de l'ampèremètre. 05.10.2005 · l'ampèremètre se branche en série dans le circuit.. Dans cet article, nous entrerons plus en détail …

Si l'on branche ce type d'appareil à l'envers, pas de soucis, l'indication sera juste inversée. . 28.04.2017 · about press copyright contact us creators advertise developers terms privacy policy & safety how youtube works test new features press copyright contact us creators.

05.05.2008 · un voltmètre se branche sur n'importe quel fil + apres contact et sur une bonne masse. Corentin garrault articles de cet auteur. L'intensité mesurée doit être positive, pour cela, le courant devra rentrer par la borne 10a ou la borne ma, on reliera donc ces bornes au pôle + du générateur. La borne 10 a ou ma doit être branchée du côté plus du générateur. Cela peut être divisé en deux parties.. Tout d'abord, un ampèremètre mesure le courant dans un circuit et se connecte en série.

Dans cet article, nous entrerons plus en détail … On branche l'ampèremètre à côté du moteur en série. Dans cet article, nous entrerons plus en détail … L'intensité mesurée doit être positive, pour cela, le courant devra rentrer par la borne 10a ou la borne ma, on reliera donc ces bornes au pôle + du générateur. 03.05.2021 · dans cet article, voyons comment se branche un ampèremètre.

On branche l'ampèremètre à côté du moteur en série. Ampèremètre comment brancher convenablement un ampèremètre dans un circuit électrique. Corentin garrault articles de cet auteur. La borne 10 a ou ma doit être branchée du côté plus du générateur. 05.10.2005 · l'ampèremètre se branche en série dans le circuit. Pour l'ampèremètre, il n'en n'est pas de même. 19.07.2017 · about press copyright contact us creators advertise developers terms privacy policy & safety how youtube works test new features press copyright contact us creators. Cela peut être divisé en deux parties... La borne 10 a ou ma doit être branchée du côté plus du générateur.

Un ampèremètre est toujours branché en série dans le circuit dans lequel on veut mesurer l'intensité. La borne 10 a ou ma doit être branchée du côté plus du générateur. Pour l'ampèremètre, il n'en n'est pas de même. Corentin garrault articles de cet auteur. 03.05.2021 · dans cet article, voyons comment se branche un ampèremètre. 05.10.2005 · l'ampèremètre se branche en série dans le circuit. 28.04.2017 · about press copyright contact us creators advertise developers terms privacy policy & safety how youtube works test new features press copyright contact us creators. 05.05.2008 · un voltmètre se branche sur n'importe quel fil + apres contact et sur une bonne masse. Si l'on branche ce type d'appareil à l'envers, pas de soucis, l'indication sera juste inversée. L'intensité mesurée doit être positive, pour cela, le courant devra rentrer par la borne 10a ou la borne ma, on reliera donc ces bornes au pôle + du générateur.. L'intensité mesurée doit être positive, pour cela, le courant devra rentrer par la borne 10a ou la borne ma, on reliera donc ces bornes au pôle + du générateur.
Si l'on branche ce type d'appareil à l'envers, pas de soucis, l'indication sera juste inversée... Si l'on branche ce type d'appareil à l'envers, pas de soucis, l'indication sera juste inversée. 05.10.2005 · l'ampèremètre se branche en série dans le circuit. L'intensité mesurée doit être positive, pour cela, le courant devra rentrer par la borne 10a ou la borne ma, on reliera donc ces bornes au pôle + du générateur. 19.07.2017 · about press copyright contact us creators advertise developers terms privacy policy & safety how youtube works test new features press copyright contact us creators. 05.05.2008 · un voltmètre se branche sur n'importe quel fil + apres contact et sur une bonne masse. La borne 10 a ou ma doit être branchée du côté plus du générateur.. 05.05.2008 · un voltmètre se branche sur n'importe quel fil + apres contact et sur une bonne masse.

Cela peut être divisé en deux parties. .. 28.04.2017 · about press copyright contact us creators advertise developers terms privacy policy & safety how youtube works test new features press copyright contact us creators.

Pour l'ampèremètre, il n'en n'est pas de même. 28.04.2017 · about press copyright contact us creators advertise developers terms privacy policy & safety how youtube works test new features press copyright contact us creators. Etape 3 placer les bornes de l'ampèremètre. 05.10.2005 · l'ampèremètre se branche en série dans le circuit.

Pour l'ampèremètre, il n'en n'est pas de même. On branche l'ampèremètre à côté du moteur en série. 19.07.2017 · about press copyright contact us creators advertise developers terms privacy policy & safety how youtube works test new features press copyright contact us creators. Un ampèremètre est toujours branché en série dans le circuit dans lequel on veut mesurer l'intensité. On place les bornes de l'ampèremètre en respectant le sens suivant : Tout d'abord, un ampèremètre mesure le courant dans un circuit et se connecte en série. Corentin garrault articles de cet auteur. Si l'on branche ce type d'appareil à l'envers, pas de soucis, l'indication sera juste inversée. Pour l'ampèremètre, il n'en n'est pas de même. Tout d'abord, un ampèremètre mesure le courant dans un circuit et se connecte en série.
05.10.2005 · l'ampèremètre se branche en série dans le circuit. 03.05.2021 · dans cet article, voyons comment se branche un ampèremètre. La borne 10 a ou ma doit être branchée du côté plus du générateur. On place les bornes de l'ampèremètre en respectant le sens suivant : L'intensité mesurée doit être positive, pour cela, le courant devra rentrer par la borne 10a ou la borne ma, on reliera donc ces bornes au pôle + du générateur. 28.04.2017 · about press copyright contact us creators advertise developers terms privacy policy & safety how youtube works test new features press copyright contact us creators.
La borne 10 a ou ma doit être branchée du côté plus du générateur. L'intensité mesurée doit être positive, pour cela, le courant devra rentrer par la borne 10a ou la borne ma, on reliera donc ces bornes au pôle + du générateur. On place les bornes de l'ampèremètre en respectant le sens suivant : Corentin garrault articles de cet auteur. 03.05.2021 · dans cet article, voyons comment se branche un ampèremètre. Etape 3 placer les bornes de l'ampèremètre. 05.10.2005 · l'ampèremètre se branche en série dans le circuit. On branche l'ampèremètre à côté du moteur en série. 05.05.2008 · un voltmètre se branche sur n'importe quel fil + apres contact et sur une bonne masse.

Pour l'ampèremètre, il n'en n'est pas de même. 03.05.2021 · dans cet article, voyons comment se branche un ampèremètre. 05.10.2005 · l'ampèremètre se branche en série dans le circuit. Pour l'ampèremètre, il n'en n'est pas de même. Dans cet article, nous entrerons plus en détail … Ampèremètre comment brancher convenablement un ampèremètre dans un circuit électrique.. 05.05.2008 · un voltmètre se branche sur n'importe quel fil + apres contact et sur une bonne masse.
Pour l'ampèremètre, il n'en n'est pas de même. 05.10.2005 · l'ampèremètre se branche en série dans le circuit. 03.05.2021 · dans cet article, voyons comment se branche un ampèremètre. On branche l'ampèremètre à côté du moteur en série. Corentin garrault articles de cet auteur. 19.07.2017 · about press copyright contact us creators advertise developers terms privacy policy & safety how youtube works test new features press copyright contact us creators. Cela peut être divisé en deux parties.. Ampèremètre comment brancher convenablement un ampèremètre dans un circuit électrique.

03.05.2021 · dans cet article, voyons comment se branche un ampèremètre. 05.05.2008 · un voltmètre se branche sur n'importe quel fil + apres contact et sur une bonne masse. Etape 3 placer les bornes de l'ampèremètre.. 05.10.2005 · l'ampèremètre se branche en série dans le circuit.

Tout d'abord, un ampèremètre mesure le courant dans un circuit et se connecte en série... Tout d'abord, un ampèremètre mesure le courant dans un circuit et se connecte en série. 28.04.2017 · about press copyright contact us creators advertise developers terms privacy policy & safety how youtube works test new features press copyright contact us creators. On place les bornes de l'ampèremètre en respectant le sens suivant : Pour l'ampèremètre, il n'en n'est pas de même. Corentin garrault articles de cet auteur. Un ampèremètre est toujours branché en série dans le circuit dans lequel on veut mesurer l'intensité. Cela peut être divisé en deux parties. Etape 3 placer les bornes de l'ampèremètre.. 19.07.2017 · about press copyright contact us creators advertise developers terms privacy policy & safety how youtube works test new features press copyright contact us creators.
Tout d'abord, un ampèremètre mesure le courant dans un circuit et se connecte en série. Si l'on branche ce type d'appareil à l'envers, pas de soucis, l'indication sera juste inversée. La borne 10 a ou ma doit être branchée du côté plus du générateur. On place les bornes de l'ampèremètre en respectant le sens suivant : On branche l'ampèremètre à côté du moteur en série. 05.10.2005 · l'ampèremètre se branche en série dans le circuit. Un ampèremètre est toujours branché en série dans le circuit dans lequel on veut mesurer l'intensité. 03.05.2021 · dans cet article, voyons comment se branche un ampèremètre. Ampèremètre comment brancher convenablement un ampèremètre dans un circuit électrique. Pour l'ampèremètre, il n'en n'est pas de même. Si l'on branche ce type d'appareil à l'envers, pas de soucis, l'indication sera juste inversée.

19.07.2017 · about press copyright contact us creators advertise developers terms privacy policy & safety how youtube works test new features press copyright contact us creators.. 19.07.2017 · about press copyright contact us creators advertise developers terms privacy policy & safety how youtube works test new features press copyright contact us creators. Cela peut être divisé en deux parties. On place les bornes de l'ampèremètre en respectant le sens suivant : Etape 3 placer les bornes de l'ampèremètre. 28.04.2017 · about press copyright contact us creators advertise developers terms privacy policy & safety how youtube works test new features press copyright contact us creators. Un ampèremètre est toujours branché en série dans le circuit dans lequel on veut mesurer l'intensité. Dans cet article, nous entrerons plus en détail … Pour l'ampèremètre, il n'en n'est pas de même. Ampèremètre comment brancher convenablement un ampèremètre dans un circuit électrique. On branche l'ampèremètre à côté du moteur en série.
On branche l'ampèremètre à côté du moteur en série. 28.04.2017 · about press copyright contact us creators advertise developers terms privacy policy & safety how youtube works test new features press copyright contact us creators. Etape 3 placer les bornes de l'ampèremètre. La borne 10 a ou ma doit être branchée du côté plus du générateur.. Corentin garrault articles de cet auteur.

Dans cet article, nous entrerons plus en détail ….. 19.07.2017 · about press copyright contact us creators advertise developers terms privacy policy & safety how youtube works test new features press copyright contact us creators. 03.05.2021 · dans cet article, voyons comment se branche un ampèremètre. 05.05.2008 · un voltmètre se branche sur n'importe quel fil + apres contact et sur une bonne masse. On place les bornes de l'ampèremètre en respectant le sens suivant :.. Corentin garrault articles de cet auteur.

L'intensité mesurée doit être positive, pour cela, le courant devra rentrer par la borne 10a ou la borne ma, on reliera donc ces bornes au pôle + du générateur. Cela peut être divisé en deux parties. L'intensité mesurée doit être positive, pour cela, le courant devra rentrer par la borne 10a ou la borne ma, on reliera donc ces bornes au pôle + du générateur. Tout d'abord, un ampèremètre mesure le courant dans un circuit et se connecte en série.. 03.05.2021 · dans cet article, voyons comment se branche un ampèremètre.

On place les bornes de l'ampèremètre en respectant le sens suivant : La borne 10 a ou ma doit être branchée du côté plus du générateur. On place les bornes de l'ampèremètre en respectant le sens suivant : On branche l'ampèremètre à côté du moteur en série.

On place les bornes de l'ampèremètre en respectant le sens suivant :. L'intensité mesurée doit être positive, pour cela, le courant devra rentrer par la borne 10a ou la borne ma, on reliera donc ces bornes au pôle + du générateur. Ampèremètre comment brancher convenablement un ampèremètre dans un circuit électrique. On branche l'ampèremètre à côté du moteur en série. Cela peut être divisé en deux parties. 05.10.2005 · l'ampèremètre se branche en série dans le circuit. 05.05.2008 · un voltmètre se branche sur n'importe quel fil + apres contact et sur une bonne masse. Dans cet article, nous entrerons plus en détail … Si l'on branche ce type d'appareil à l'envers, pas de soucis, l'indication sera juste inversée. On branche l'ampèremètre à côté du moteur en série.

Corentin garrault articles de cet auteur. On place les bornes de l'ampèremètre en respectant le sens suivant : 28.04.2017 · about press copyright contact us creators advertise developers terms privacy policy & safety how youtube works test new features press copyright contact us creators. Cela peut être divisé en deux parties. Tout d'abord, un ampèremètre mesure le courant dans un circuit et se connecte en série.. 05.10.2005 · l'ampèremètre se branche en série dans le circuit.
Si l'on branche ce type d'appareil à l'envers, pas de soucis, l'indication sera juste inversée. Corentin garrault articles de cet auteur. 05.05.2008 · un voltmètre se branche sur n'importe quel fil + apres contact et sur une bonne masse. 28.04.2017 · about press copyright contact us creators advertise developers terms privacy policy & safety how youtube works test new features press copyright contact us creators. Ampèremètre comment brancher convenablement un ampèremètre dans un circuit électrique. Cela peut être divisé en deux parties. On branche l'ampèremètre à côté du moteur en série. La borne 10 a ou ma doit être branchée du côté plus du générateur.. 05.05.2008 · un voltmètre se branche sur n'importe quel fil + apres contact et sur une bonne masse.

On place les bornes de l'ampèremètre en respectant le sens suivant : 05.10.2005 · l'ampèremètre se branche en série dans le circuit. Si l'on branche ce type d'appareil à l'envers, pas de soucis, l'indication sera juste inversée. L'intensité mesurée doit être positive, pour cela, le courant devra rentrer par la borne 10a ou la borne ma, on reliera donc ces bornes au pôle + du générateur... 05.10.2005 · l'ampèremètre se branche en série dans le circuit.

Corentin garrault articles de cet auteur. Un ampèremètre est toujours branché en série dans le circuit dans lequel on veut mesurer l'intensité. 19.07.2017 · about press copyright contact us creators advertise developers terms privacy policy & safety how youtube works test new features press copyright contact us creators. La borne 10 a ou ma doit être branchée du côté plus du générateur. 05.10.2005 · l'ampèremètre se branche en série dans le circuit. On branche l'ampèremètre à côté du moteur en série.. Cela peut être divisé en deux parties.

L'intensité mesurée doit être positive, pour cela, le courant devra rentrer par la borne 10a ou la borne ma, on reliera donc ces bornes au pôle + du générateur. Un ampèremètre est toujours branché en série dans le circuit dans lequel on veut mesurer l'intensité. Dans cet article, nous entrerons plus en détail … 05.05.2008 · un voltmètre se branche sur n'importe quel fil + apres contact et sur une bonne masse.

28.04.2017 · about press copyright contact us creators advertise developers terms privacy policy & safety how youtube works test new features press copyright contact us creators. Corentin garrault articles de cet auteur.. On place les bornes de l'ampèremètre en respectant le sens suivant :

05.05.2008 · un voltmètre se branche sur n'importe quel fil + apres contact et sur une bonne masse... On branche l'ampèremètre à côté du moteur en série. 05.05.2008 · un voltmètre se branche sur n'importe quel fil + apres contact et sur une bonne masse. Dans cet article, nous entrerons plus en détail … Si l'on branche ce type d'appareil à l'envers, pas de soucis, l'indication sera juste inversée. Tout d'abord, un ampèremètre mesure le courant dans un circuit et se connecte en série. 28.04.2017 · about press copyright contact us creators advertise developers terms privacy policy & safety how youtube works test new features press copyright contact us creators. Pour l'ampèremètre, il n'en n'est pas de même.

Cela peut être divisé en deux parties.. Si l'on branche ce type d'appareil à l'envers, pas de soucis, l'indication sera juste inversée... 05.05.2008 · un voltmètre se branche sur n'importe quel fil + apres contact et sur une bonne masse.
On place les bornes de l'ampèremètre en respectant le sens suivant : Ampèremètre comment brancher convenablement un ampèremètre dans un circuit électrique. On place les bornes de l'ampèremètre en respectant le sens suivant : 05.10.2005 · l'ampèremètre se branche en série dans le circuit. Si l'on branche ce type d'appareil à l'envers, pas de soucis, l'indication sera juste inversée. 19.07.2017 · about press copyright contact us creators advertise developers terms privacy policy & safety how youtube works test new features press copyright contact us creators. L'intensité mesurée doit être positive, pour cela, le courant devra rentrer par la borne 10a ou la borne ma, on reliera donc ces bornes au pôle + du générateur. Corentin garrault articles de cet auteur.

On branche l'ampèremètre à côté du moteur en série. .. 28.04.2017 · about press copyright contact us creators advertise developers terms privacy policy & safety how youtube works test new features press copyright contact us creators.